FIM张拉端M型锚具

  FIM张拉端M型锚具 FIM M Type Anchorage

  FIM多根钢绞线张拉端锚具体系包括:FIM13M锚具(适用与φ12.7、φ12.9mm钢绞线)和FIM15M锚具(适用与φ15.24、φ15.7mm钢绞线),用于扁平结构的BIM13和BM15扁平型锚具。



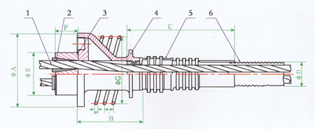
1.钢绞线 2.夹片 3.张拉端锚板 4.承压板 5.螺旋筋 6.波纹管